B2120–IGNITION RUN/ACC/PAD CONTROL CIRCUIT OPEN





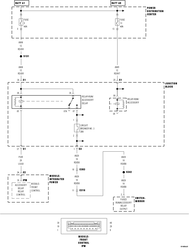
For a complete wiring diagram Refer to Section 8W.


  • When Monitored:

    With the ignition on.

  • Set Condition:

    The Front Control Module will set this DTC within 500ms if the (P305) Accessory Delay Relay Control circuit is open.


Possible Causes
 
(P305) ACCESSORY DELAY RELAY CONTROL CIRCUIT OPEN
 
RUN/ACCESSORY DELAY RELAY
 
FRONT CONTROL MODULE
 




Diagnostic Test

1.CHECK FOR ACTIVE DTC





Does the scan tool display this DTC as active?

Yes
  • Go To 2


No
  • If the DTC is stored, check for an intermittent condition. Visually inspect the related wiring harness connectors. Look for broken, bent, pushed out, or corroded terminals.

2.RUN/ACCESSORY DELAY RELAY






Does the scan tool display this DTC as active?

Yes
  • Go To 3


No

3.(P305) ACCESSORY DELAY RELAY CONTROL CIRCUIT OPEN








Is the resistance below 10.0 ohms?

No


Yes