B1B18-LEFT SIDE CURTAIN SQUIB 1 CIRCUIT LOW





For a complete wiring diagram Refer to Section 8W.


  • When Monitored:

    With the ignition on, the Occupant Restraint Controller (ORC) monitors the resistance of the Left Curtain Squib 1 circuits.

  • Set Condition:

    The ORC has detected low resistance of the Left Curtain Squib 1 circuits.


Possible Causes
 
(R3) LEFT CURTAIN SQUIB 1 LINE 1 CIRCUIT OR (R1) LEFT CURTAIN SQUIB 1 LINE 2 CIRCUIT SHORTED TO GROUND
 
LEFT SIDE CURTAIN AIRBAG
 
ORC
 




Diagnostic Test

1.DETERMINE ACTIVE OR STORED DTC

NOTE: Ensure the battery is fully charged.


NOTE: The scan tool, SRS Airbag Load Tool MRL 8443, and DVOM are required to perform the following test.


NOTE: When reconnecting airbag system components the Ignition must be turned off and the Battery must be disconnected.




Is the DTC active or stored?

ORC - ACTIVE DTC
  • Go To 2


ORC - STORED DTC
  • Go To 5

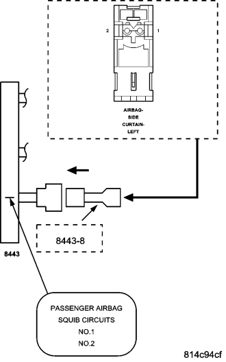
2.CHECK FOR SHORTED SQUIB CIRCUITS IN LEFT SIDE CURTAIN AIRBAG



WARNING: To avoid personal injury or death, turn the ignition off, disconnect the battery and wait two minutes before proceeding.



WARNING: To avoid personal injury or death, do not place an intact undeployed curtain airbag face down on a hard surface, the airbag will propel into the air if accidentally deployed.


NOTE: Check connectors - Clean and repair as necessary.



WARNING: To avoid personal injury or death, turn the ignition on, then reconnect the battery.




Does the scan tool display: B1B18-LEFT SIDE CURTAIN SQUIB 1 CIRCUIT LOW?

Yes
  • Go To 3


No

3.CHECK (R3) LEFT CURTAIN SQUIB 1 LINE 1 CIRCUIT AND (R1) LEFT CURTAIN SQUIB 1 LINE 2 CIRCUIT FOR A SHORT TO GROUND



WARNING: To avoid personal injury or death, turn the ignition off, disconnect the battery and wait two minutes before proceeding.




NOTE: Check connectors - Clean and repair as necessary.






Is the resistance below 10K ohms on either circuit?

Yes


No
  • Go To 4

4.REPLACE THE ORC

WARNING: If the Occupant Restraint Controller (ORC) is dropped at any time, it must be replaced. Failure to take the proper precautions can result in accidental airbag deployment and personal injury or death.


NOTE: When reconnecting airbag system components the Ignition must be turned off and the Battery must be disconnected.





Repair

5.STORED ORC DTC



WARNING: To avoid personal injury or death, turn the ignition off, disconnect the battery and wait two minutes before proceeding.






WARNING: To avoid personal injury or death, turn the ignition on, then reconnect the battery.








Are any ACTIVE DTCs present?

Yes
  • Select the appropriate diagnostic procedure from the Table of Contents in this section.


No
  • No problem found at this time. Erase all codes before returning vehicle to customer.