P0068-MANIFOLD PRESSURE/THROTTLE POSITION CORRELATION





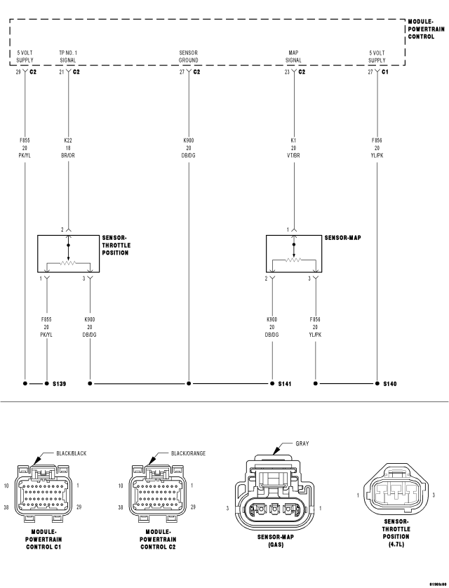
For a complete wiring diagram Refer to Section 8W.

Theory of Operation


This DTC sets when an unexpected high intake manifold air flow condition exists that can lead to increased engine speed and puts the NGC into a High Air flow Protection limiting mode. The High Air flow Protection feature includes RPM limits for when a Throttle and/or MAP sensor limp-in fault is present.

  • When Monitored:

    During all drive modes.

  • Set Condition:

    If vacuum drops below 1.5"Hg with engine RPM greater than 2000 RPM and closed throttle. This fault can set due to a TPS/MAP sensor failure. It will set much faster than the TPS/MAP fault can mature. If there is not an obvious large intake leak, suspect a TPS/MAP fault. Two Trip Fault. Three good trips to turn off the MIL.


Possible Causes
 
VACUUM LEAK
 
RESTRICTED INTAKE AIR SYSTEM
 
RESISTANCE IN THE (F856) 5-VOLT SUPPLY CIRCUIT
 
(F856) 5-VOLT SUPPLY CIRCUIT SHORTED TO GROUND
 
RESISTANCE IN THE (K1) MAP SIGNAL CIRCUIT
 
(K1) MAP SIGNAL CIRCUIT SHORTED TO GROUND
 
RESISTANCE IN THE (F855) 5-VOLT SUPPLY CIRCUIT
 
(F855) 5-VOLT SUPPLY CIRCUIT SHORTED TO GROUND
 
RESISTANCE IN THE (K22) TP SENSOR NO.1 SIGNAL CIRCUIT
 
(K22) TP SENSOR NO.1 SIGNAL CIRCUIT SHORTED TO GROUND
 
RESISTANCE IN THE (K900) SENSOR GROUND CIRCUIT
 
MAP SENSOR
 
THROTTLE POSITION SENSOR
 
PCM
 


Always perform the Pre-Diagnostic Troubleshooting procedure before proceeding. (Refer to 9 - ENGINE - DIAGNOSIS AND TESTING).



Diagnostic Test

1.ACTIVE DTC

NOTE: Diagnose any TP Sensor or MAP Sensor component DTCs before continuing.

NOTE: If the P0501 - No Vehicle Speed Signal is set long with this DTC, refer to the P0501 diagnostics before continuing.

NOTE: The throttle plate and linkage should be free from binding and carbon build up.

NOTE: Make sure the throttle plate is at the idle position.





NOTE: It may be necessary to drive the vehicle to meet the conditions to set this DTC, try to repeat the conditions in which the fault originally set by reviewing the Freeze Frame data.



Is the DTC Active or Pending at this time?

Yes
  • Go To 2


No

2.VACUUM LEAK

NOTE: This code is enabled on engines with a plastic intake manifold and is intended to shut down the engine if a large crack occurs.

NOTE: A large vacuum leak is most likely the cause of this DTC.









Were any vacuum leaks found?

Yes


No
  • Go To 3

3.RESTRICTED INTAKE AIR SYSTEM




Is the air filter plugged, extremely dirty, or is the Intake Air system restricted in any other way?

Yes
  • Replace the Air Filter and free the Intake Air system from any foreign material that is causing the blockage. Read and record the related Freeze Frame data. Clear the PCM codes and try to duplicate the conditions that originally caused the DTC to set to see if the code returns. Perform the POWERTRAIN VERIFICATION TEST. (Refer to 9 - ENGINE - STANDARD PROCEDURE)


No
  • Go To 4

4.MAP SENSOR OPERATION





Does the MAP Sensor voltage vary from below 2.0 volts at idle to above 3.5 volts at wide open throttle?

Yes
  • Go To 5


No

5.TP SENSOR OPERATION




Does voltage start at approximately 0.8 of a volt and go above 3.5 volts with a smooth transition?

Yes


No
  • Go To 6

6.EXCESSIVE RESISTANCE IN THE (F855) 5-VOLT SUPPLY CIRCUIT






CAUTION: Do not probe the PCM harness connectors. Probing the PCM harness connectors will damage the PCM terminals resulting in poor terminal to pin connection. Install Miller Special Tool #8815 to perform diagnosis.




Is the resistance below 5.0 ohms?

Yes
  • Go To 7


No

7.(F855) 5-VOLT SUPPLY CIRCUIT SHORTED TO GROUND





Is the resistance below 100 ohms?

Yes


No
  • Go To 8

8.THROTTLE POSITION SENSOR








Does the TP Sensor voltage change from approximately 4.9 volts to below 0.5 of a volt with the jumper wire installed?

Yes


No
  • Go To 9

    NOTE: Remove the jumper wire before continuing.


9.EXCESSIVE RESISTANCE IN THE (K22) TP NO.1 SIGNAL CIRCUIT





CAUTION: Do not probe the PCM harness connectors. Probing the PCM harness connectors will damage the PCM terminals resulting in poor terminal to pin connection. Install Miller Special Tool #8815 to perform diagnosis.




Is the resistance below 5.0 ohms?

Yes


No

10.(K22) TP SENSOR NO.1 SIGNAL CIRCUIT SHORTED TO GROUND





Is the resistance below 100 ohms?

Yes


No
11
11.EXCESSIVE RESISTANCE IN THE (K900) SENSOR GROUND CIRCUIT


CAUTION: Do not probe the PCM harness connectors. Probing the PCM harness connectors will damage the PCM terminals resulting in poor terminal to pin connection. Install Miller Special Tool #8815 to perform diagnosis.




Is the resistance below 5.0 ohms?

Yes


No

12.EXCESSIVE RESISTANCE IN THE (F856) 5-VOLT SUPPLY CIRCUIT






CAUTION: Do not probe the PCM harness connectors. Probing the PCM harness connectors will damage the PCM terminals resulting in poor terminal to pin connection. Install Miller Special Tool #8815 to perform diagnosis.




Is the resistance below 5.0 ohms?

Yes


No

13.(F856) 5-VOLT SUPPLY CIRCUIT SHORTED TO GROUND





Is the resistance above 100k ohms?

Yes


No

14.MAP SENSOR









Does the scan tool display MAP voltage from approximately 4.9 volts to below 0.5 of a volt with the jumper wire installed?

Yes


No
  • Go To 15

    NOTE: Remove the jumper wire before continuing.


15.EXCESSIVE RESISTANCE IN THE (K1) MAP SIGNAL CIRCUIT





CAUTION: Do not probe the PCM harness connectors. Probing the PCM harness connectors will damage the PCM terminals resulting in poor terminal to pin connection. Install Miller Special Tool #8815 to perform diagnosis.




Is the resistance below 5.0 ohms?

Yes


No

16.(K1) MAP SIGNAL CIRCUIT SHORTED TO GROUND





Is the resistance below 100 ohms?

Yes


No
17
17.EXCESSIVE RESISTANCE IN THE (K900) SENSOR GROUND CIRCUIT


CAUTION: Do not probe the PCM harness connectors. Probing the PCM harness connectors will damage the PCM terminals resulting in poor terminal to pin connection. Install Miller Special Tool #8815 to perform diagnosis.




Is the resistance below 5.0 ohms?

Yes


No

18.PCM

NOTE: Before continuing, check the PCM harness connector terminals for corrosion, damage, or terminal push out. Repair as necessary.




Were there any problems found?

Yes


No