P0201-FUEL INJECTOR 1 CIRCUIT





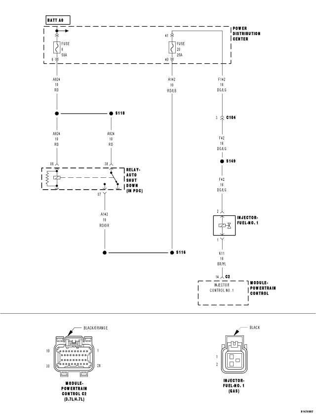
For a complete wiring diagram Refer to Section 8W.

Theory of Operation


The fueling strategy for NGC requires potentially three fuel pulses per cylinder per cycle. The first pulse is delivered starting at a programmed angle soon after the intake valve closes, for specified time duration. This is for two reasons, one to prevent any fuel from this pulse being delivered in the previous cycle and second to allow fueling to begin as early as possible in the current cycle. The second pulse is delivered for a specified time and is set to end at a programmed angle. The pulse must not extend past the end angle. There can be a separate value for each cylinder under the same operating conditions. This is done for two reasons, one to prevent any fuel from this pulse being delivered during the intake/exhaust valve overlap period, which tends to cause elevated emission levels. Also, allowing fuel to enter each cylinder at a slightly different angle tends to reduce any fuel pressure standing waves in the fuel rail. If the desired total fuel pulse-width increases, a third fuel pulse must be delivered. The third pulse, if necessary, is delivered for a specified time and must end at a programmed angle before the valve closes again. The third pulse in the cycle is controlled by its ending angle. This is also for two reasons, one to prevent any fuel from this pulse being delivered in the next cycle and second to allow fueling to end as late as possible in the current cycle. At high engine speeds, one or more of the pulses may be dropped from the fueling strategy.

  • When Monitored:

    With battery voltage greater than 10 volts. Auto Shutdown Relay energized. Engine speed less than 3000 rpm.

  • Set Condition:

    The PCM monitors the continuity of the injector circuits as well as the voltage spike created by the collapse of the magnetic field in the injector coil. Any condition that reduces the maximum current flow or the magnitude of the voltage spike can cause this DTC to set.


Possible Causes
 
(F42) ASD RELAY OUTPUT CIRCUIT
 
(K11) INJECTOR CONTROL NO.1 CIRCUIT OPEN
 
(K11) INJECTOR CONTROL NO.1 CIRCUIT SHORTED TO GROUND
 
FUEL INJECTOR
 
PCM
 


Always perform the Pre-Diagnostic Troubleshooting procedure before proceeding. (Refer to 9 - ENGINE - DIAGNOSIS AND TESTING).



Diagnostic Test

1.DTC IS ACTIVE




WARNING: When the engine is operating, do not stand in direct line with the fan. Do not put your hands near the pulleys, belts, or fan. Do not wear loose clothing. Failure to follow these instructions can result in personal injury or death.


NOTE: Review Freeze Frame information. Operate the vehicle under conditions similar to which the DTC was set.




Is the status Active for this DTC?

Yes
  • Go To 2


No

2.FUEL INJECTOR 1 CIRCUIT RESISTANCE






NOTE: The resistance of the circuit will vary according to the temperature of the injector coil. Use the table below to determine the resistance range of the injector.


CAUTION: Do not probe the PCM harness connectors. Probing the PCM harness connectors will damage the PCM terminals, resulting in poor terminal to pin connection. Install Miller Special Tool #8815 to perform diagnosis.




Fuel Injector Coil Resistance Based on Engine Temperature
 
Temperature
 
Resistance
 
–20° C (–4° F)
 
10 ohms (+/– .6 of an ohm)
 
20° C (68° F)
 
12 ohms (+/– .6 of an ohm)
 
60° C (140° F)
 
14 ohms (+/– .6 of an ohm)
 
100° C (212° F)
 
16 ohms (+/– .6 of an ohm)
 



Is the resistance of the injector within the specified range?

Yes
  • Go To 7


No
  • Go To 3

3.FUEL INJECTOR 1 WIRING AND CONNECTOR INSPECTION







Were any problems found?

Yes


No
  • Go To 4

4.(F42) ASD RELAY OUTPUT CIRCUIT OPEN OR HIGH RESISTANCE






NOTE: The test light should be illuminated and bright. Compare the brightness to that of a direct connection to the battery.



Is the test light illuminated and bright?

Yes
  • Go To 5


No

5.(K11) INJECTOR 1 CONTROL CIRCUIT OPEN OR HIGH RESISTANCE


CAUTION: Do not probe the PCM harness connectors. Probing the PCM harness connectors will damage the PCM terminals, resulting in poor terminal to pin connection. Install Miller Special Tool #8815 to perform diagnosis.




Is the resistance below 5.0 ohms?

Yes
  • Go To 6


No

6.FUEL INJECTOR 1






Were any problems found?

Yes


No

7.(K11) INJECTOR 1 CONTROL CIRCUIT SHORTED TO GROUND







Is the resistance above 100 ohms?

Yes
  • Go To 8


No

8.POWERTRAIN CONTROL MODULE (PCM)






Were any problems found?

Yes


No