P0688-AUTO SHUTDOWN RELAY SENSE CIRCUIT LOW





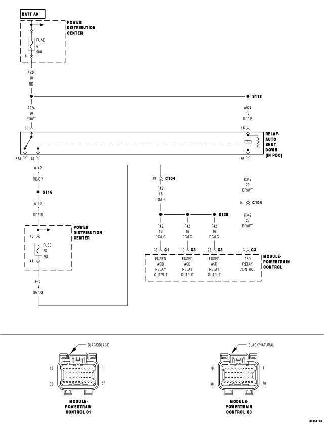
For a complete wiring diagram Refer to Section 8W.


  • When Monitored:

    With ignition key on. Battery voltage greater than 10 volts.

  • Set Condition:

    No voltage sensed at the PCM when the ASD relay is energized. One Trip Fault. Three good trips to turn off the MIL.


Possible Causes
 
(A924) FUSED B+ CIRCUITS
 
(A142) ASD RELAY OUTPUT CIRCUIT OPEN
 
ASD RELAY
 
PCM
 


Always perform the Pre-Diagnostic Troubleshooting procedure before proceeding. (Refer to 9 - ENGINE - DIAGNOSIS AND TESTING).



Diagnostic Test

1.VERIFY ASD DTC

NOTE: Diagnose P0685 - Auto Shutdown Relay Control Circuit first if it set along with this DTC.





Does the DTC reset?

Yes
  • Go To 2


No

2.ENGINE OPERATION



Does the engine start?

Yes
  • Go To 3


No
  • Go To 4

3.(A142) ASD RELAY OUTPUT CIRCUIT OPEN






CAUTION: Do not probe the PCM harness connectors. Probing the PCM harness connectors will damage the PCM terminals resulting in poor terminal to pin connection. Install Miller Special Tool #8815 to perform diagnosis.




Is the resistance below 5.0 ohms?

Yes
  • Go To 7


No

4.ASD RELAY








Does the DTC reset?

Yes
  • Go To 5


No

5.(A924) FUSED B+ CIRCUITS






Does the test light illuminate brightly?

Yes
  • Go To 6


No

6.(A142) ASD RELAY OUTPUT CIRCUIT OPEN




CAUTION: Do not probe the PCM harness connectors. Probing the PCM harness connectors will damage the PCM terminals resulting in poor terminal to pin connection. Install Miller Special Tool #8815 to perform diagnosis.




Is the resistance below 5.0 ohms?

Yes
  • Go To 7


No

7.PCM

NOTE: Before continuing, check the PCM harness connector terminals for corrosion, damage, or terminal push out. Repair as necessary.




Were there any problems found?

Yes


No