P0691-COOLING FAN 1 RELAY CONTROL CIRCUIT LOW





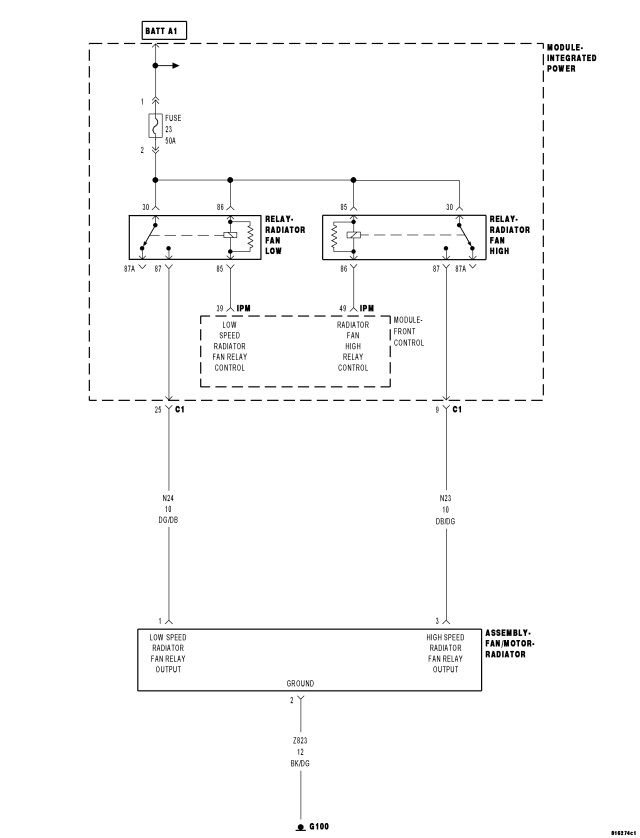
For a complete wiring diagram Refer to Section 8W.


  • When Monitored:

    Ignition on with the Cooling fan No.1 Relay actuated.

  • Set Condition:

    The FCM recognizes and open or short to ground in the Cooling Fan Relay No.1 Control circuit.


Possible Causes
 
(A16) FUSED B+ CIRCUIT
 
(N201) LOW SPEED FAN RELAY CONTROL CIRCUIT OPEN
 
(N201) LOW SPEED FAN RELAY CONTROL CIRCUIT SHORTED TO GROUND
 
LOW SPEED RADIATOR FAN RELAY
 
FCM
 


Always perform the Pre-Diagnostic Troubleshooting procedure before proceeding. (Refer to 9 - ENGINE - DIAGNOSIS AND TESTING).



Diagnostic Test

1.LOW SPEED RADIATOR FAN RELAY OPERATION




Is the Cooling Fan Relay operating?

Yes


No
  • Go To 2

2.INTERNAL FUSED B+ CIRCUITS







Is the voltage above 11.0 volts?

Yes
  • Go To 3


No

3.LOW SPEED RADIATOR FAN RELAY RESISTANCE



Is the resistance between 60 to 80 ohms?

Yes
  • Go To 4


No

4.(N201) COOLING FAN NO.1 CONTROL CIRCUIT OPEN






Is the resistance below 5.0 ohms?

Yes
  • Go To 5


No

5.(N201) COOLING FAN NO.1 CONTROL CIRCUIT SHORTED TO GROUND





Is the resistance below 100 ohms?

Yes


No
  • Go To 6

6.FRONT CONTROL MODULE

NOTE: Before continuing, check the FCM harness connector terminals for corrosion, damage, or terminal push out. Repair as necessary.




Were there any problems found?

Yes


No