P1572-BRAKE PEDAL STUCK ON





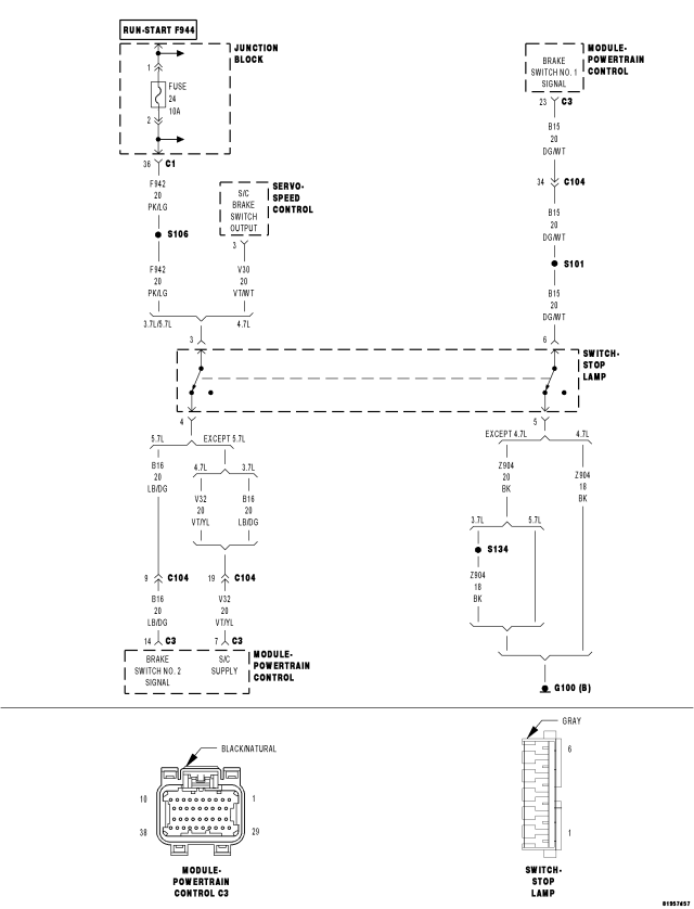
For a complete wiring diagram Refer to Section 8W.


  • When Monitored:

    Ignition on. In plant mode only.

  • Set Condition:

    PCM recognizes the Brake Pedal could not electrically indicate the applied (On) position with both switch inputs. One trip fault.


Possible Causes
 
(B15) BRAKE SWITCH NO.1 SIGNAL CIRCUIT OPEN
 
(B16) BRAKE SWITCH NO.2 SIGANL CIRCUIT OPEN
 
STOP LAMP SWITCH
 
PCM
 


Always perform the Pre-Diagnostic Troubleshooting procedure before proceeding. (Refer to 9 - ENGINE - DIAGNOSIS AND TESTING).



Diagnostic Test

1.ACTIVE DTC

NOTE: Make sure the Stop Lamp Switch is adjusted properly before continuing.






Is the DTC Active at this time?

Yes
  • Go To 2


No

2.STOP LAMP SWITCH OPERATION






Does the resistance change from below 5.0 ohms to open circuit when pressing and releasing the brake pedal switch?

Yes
  • Go To 3


No

3.STOP LAMP SWITCH OPERATION




Does the resistance change from below 5.0 ohms to open circuit when pressing and releasing the Stop Lamp switch?

Yes
  • Go To 4


No

4.(B15) BRAKE SWITCH NO.1 SIGNAL CIRCUIT OPEN




CAUTION: Do not probe the PCM harness connectors. Probing the PCM harness connectors will damage the PCM terminals resulting in poor terminal to pin connection. Install Miller Special Tool #8815 to perform diagnosis.




Is the resistance below 5.0 ohms?

Yes
  • Go To 5


No

5.(B16) BRAKE SWITCH NO.2 SIGNAL CIRCUIT OPEN





Is the resistance below 5.0 ohms?

Yes
  • Go To 6


No

6.PCM

NOTE: Before continuing, check the PCM harness connector terminals for corrosion, damage, or terminal push out. Repair as necessary.




Were there any problems found?

Yes


No