P2308-IGNITION COIL 3 SECONDARY CIRCUIT- INSUFFICIENT IONIZATION





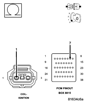
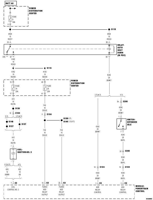
For a complete wiring diagram Refer to Section 8W.


  • When Monitored:

    Engine running and battery voltage greater than 10 volts.

  • Set Condition:

    If PCM detects that the secondary ignition burn time is incorrect, too short, or not present, an error is detected. One Trip Fault. Three good trips to turn off the MIL.


Possible Causes
 
(A15) ASD RELAY OUTPUT CIRCUIT
 
(K93) COIL CONTROL NO.3 CIRCUIT OPEN
 
(K93) COIL CONTROL NO.3 CIRCUIT SHORTED TO GROUND
 
COIL ON PLUG
 
PCM
 


Always perform the Pre-Diagnostic Troubleshooting procedure before proceeding. (Refer to 9 - ENGINE - DIAGNOSIS AND TESTING).



Diagnostic Test

1.ACTIVE DTC

NOTE: Diagnose any ASD related DTC's before continuing.




NOTE: It may be necessary to drive the vehicle to meet the conditions to set this DTC, try to repeat the conditions in which the fault originally set by reviewing the Freeze Frame data.



Is the DTC Active at this time?

Yes
  • Go To 2


No

2.(A15) ASD RELAY OUTPUT CIRCUIT









Does the test light illuminate brightly?

Yes
  • Go To 3


No
  • Repair the open or short to ground in the (A15) ASD Relay Output circuit between the IPM and Coil harness connector.
  • Perform the POWERTRAIN VERIFICATION TEST. (Refer to 9 - ENGINE - STANDARD PROCEDURE)
  • NOTE: Stop All Actuations.


3.COIL ON PLUG RESISTANCE


NOTE: The following resistance measurement should be taken at 70°-80° F.






Is the resistance within the given specification for the Ignition Coil being tested?

Yes
  • Go To 4


No

4.IGNITION COIL


WARNING: When the engine is operating, do not stand in direct line with the fan. Do not put your hands near the pulleys, belts, or fan. Do not wear loose clothing. Failure to follow these instructions can result in personal injury or death.





What is the state of the test light while cranking the engine?

Brightly blinking.


ON constantly.
  • Go To 5


OFF constantly.
  • Go To 6

5.(K93) COIL CONTROL NO.3 CIRCUIT SHORTED TO GROUND







Is the resistance below 100 ohms?

Yes


No
  • Go To 7

6.(K93) COIL CONTROL NO.3 CIRCUIT OPEN





CAUTION: Do not probe the PCM harness connectors. Probing the PCM harness connectors will damage the PCM terminals resulting in poor terminal to pin connection. Install Miller Special Tool #8815 to perform diagnosis.




Is the resistance below 5.0 ohms?

Yes
  • Go To 7


No

7.PCM

NOTE: Before continuing, check the PCM harness connector terminals for corrosion, damage, or terminal push out. Repair as necessary.




Were there any problems found?

Yes


No