*NO CRANK CONDITION





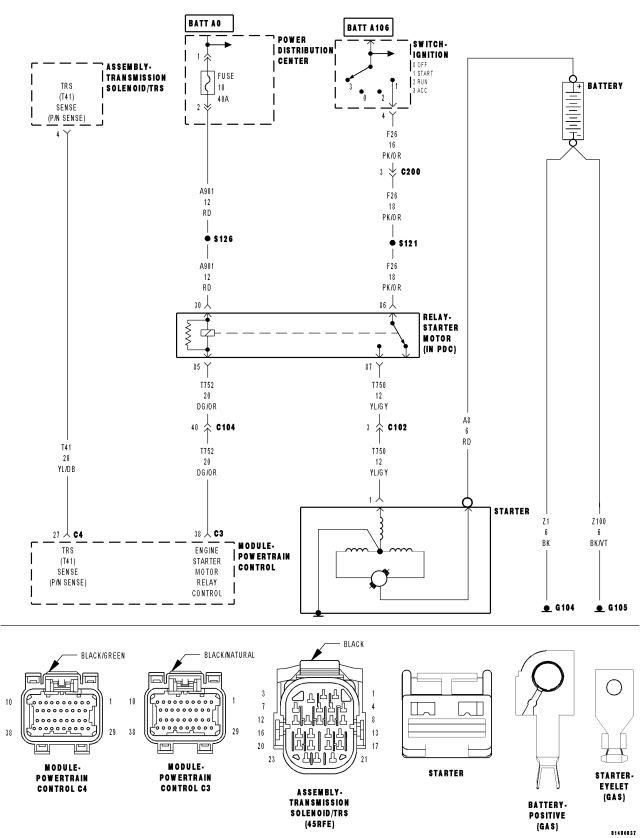
For a complete wiring diagram Refer to Section 8W.



Possible Causes
 
MECHANICAL CONDITION
 
BATTERY CIRCUIT RESISTANCE TOO HIGH
 
(F26) FUSED IGNITION SWITCH OUTPUT CIRCUIT
 
(A901) FUSED B+ CIRCUIT OPEN
 
(T752) STARTER RELAY CONTROL CIRCUIT OPEN
 
(T750) STARTER RELAY OUTPUT CIRCUIT OPEN
 
TRANSMISSION RANGE SENSOR
 
STARTER RELAY
 
STARTER
 




Diagnostic Test

1.MECHANICAL CONDITION

NOTE: Verify the battery is fully charged and capable of passing a load test before continuing.

WARNING: Make sure the battery is disconnected, then wait two minutes before proceeding. Failure to do so may result in personal injury or possible death.




Is the engine able to turn over?

Yes
  • Go To 2


No

2.TRANSMISSION RANGE SENSOR







NOTE: The circuit is grounded in Park and Neutral and open in the other positions.



Did the resistance change from above 100 kohms (open) to below 10.0 ohms (grounded) ?

Yes
  • Go To 3


No

3.EXCESSIVE RESISTANCE IN THE BATTERY CIRCUIT




Did either Battery Cable have a voltage drop greater than 0.2 of a volt?

Yes


No
  • Go To 4

4.STARTER RELAY



CAUTION: The Parking Brake must be on and the Transmission must be in park for a vehicle equipped with an automatic transmission.


WARNING: When the engine is operating, do not stand in direct line with the fan. Do not put your hands near the pulleys, belts, or fan. Do not wear loose clothing. Failure to follow these instructions can result in personal injury or death.




Did the Starter Motor crank the engine?

Yes
  • Go To 5


No
  • Go To 7

5.(F26) FUSED IGNITION SWITCH OUTPUT CIRCUIT







Does the test light illuminate brightly?

Yes
  • Go To 6


No
  • Repair the excessive resistance in the (F26) Fused Ignition Switch Output circuit. Inspect related fuses and repair as necessary.
  • Perform the POWERTRAIN VERIFICATION TEST. (Refer to 9 - ENGINE - STANDARD PROCEDURE)

6.(T752) STARTER RELAY CONTROL CIRCUIT OPEN








Is the resistance below 5.0 ohms?

Yes


No

7.(A901) FUSED B+ CIRCUIT






Does the test light illuminate brightly?

Yes
  • Go To 8


No
  • Repair the excessive resistance or short to ground in the (A901) Fused B+ circuit. Inspect related fuses and repair as necessary.
  • Perform the POWERTRAIN VERIFICATION TEST. (Refer to 9 - ENGINE - STANDARD PROCEDURE)

8.(T750) STARTER RELAY OUTPUT CIRCUIT OPEN






Is the resistance below 5.0 ohms?

Yes
  • Go To 9


No

9.STARTER


If there are no other possible causes remaining, review repair.

Repair